02 Feb,2026
Hvordan sammenligner industrielle hydrauliske motorer med pneumatiske motorer i ytelse?


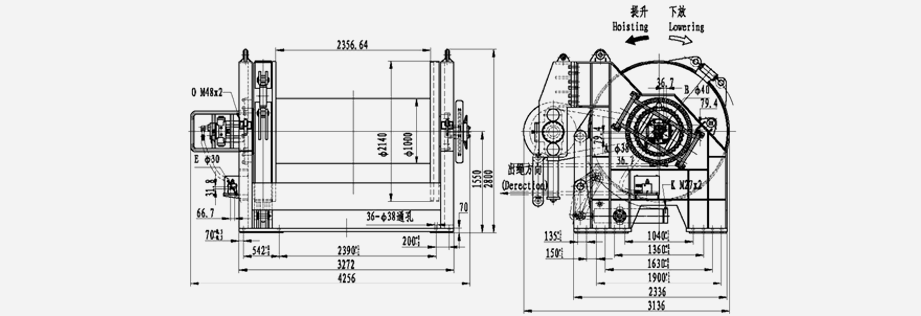
| Vurdert full på 1. lag (kN) | 1000 |
| Nominell hastighet på det første laget (m/min) | 7 |
| Total forskyvning (ml/r) | 131500 |
| Systemtrykk (MPa) | 35 |
| Forskj. trykk (MPa) | 32 |
| Taudiameter (mm) | 52 |
| Antall taulag | 9 |
| Trommelkapasitet (m) | 1800 |
| Pumpestrøm (L/min) | 300 |
| Motortype | HL-A4FM500-01 |
| Type girkasse | IGC550W3-B263 (i=263) |
Produkter levert av kjente bedrifter er dypt tillitsfulle av brukerne.
Års bransjeerfaring
Fabrikkområde
Dyktige medarbeidere
Avansert produksjonslinje
INI Hydraulic Co., Ltd. har spesialisert i design og produsering av hydrauliske vinger, hydrauliske motorer og planetær gearbokser i mer enn 20 år. Vi er en av de profesjonelle bygningsmaskinene i Asia. Det er vår måte å forbli levende på markedet på. Over 26 år har vi utviklet en stor rekke produktlinjer basert på vår egenutviklede teknologi. Et bredt spektrum av produkter, hvert korrelerende, inneholder hydrauliske og elektriske vinker, planetære gearbokser, svømmebåter, overføringskjører, hydrauliske motorer, pumper og hydrauliske systemer.
Påliteligheten til produktene våre har blitt bevist sterkt i forskjellige bruksområder, inkludert ikke begrensende industrimaskineri, anleggsmaskiner, skips- og dekksmaskineri, off-shore utstyr, gruvedrift og metallurgisk maskineri.
Dessuten har produktkvaliteten vår blitt godkjent av flere verdensomspennende anerkjente sertifikatorganer. Sertifiseringene som våre produkter har oppnådd inkluderer EC-Type Examination Certificate, BV MODE, DNV GL Certificate, EC Attestation of Conformity, Certificate of Type Approval for Marine Product og Lloyd's Register Quality Assurance. Så langt, foruten Kina, vårt hjemmemarked, har vi i stor grad eksportert produktene våre til USA, Tyskland, Nederland, Australia, Russland, Tyrkia, Singapore, Japan, Sør-Korea, Malaysia, Vietnam, India og Iran. Våre logistikk- og ettersalgstjenester dekker hele verden raskt og pålitelig for våre kunders dype interesser.
02 Feb,2026
26 Jan,2026
19 Jan,2026
12 Jan,2026
TOP