10 Nov,2025
Hva er en industriell hydraulisk motor og hvordan forbedrer den utstyrets effektivitet?


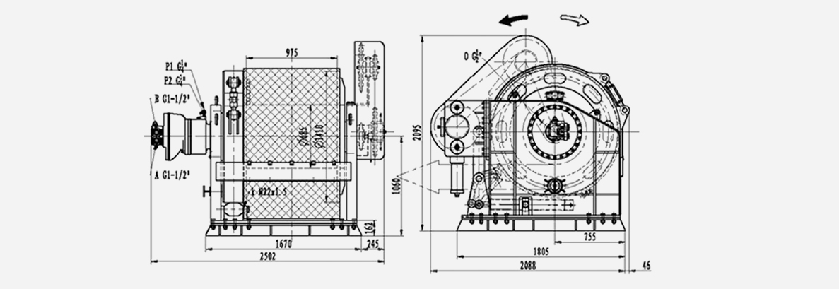
l*J---C-serien fortøyningsvinsj er patentprodukter fra selskapet vårt. De består av ventilblokker med funksjonen overbelastningsbeskyttelse, hydraulisk motor (elektromotor med brems), planetgirkasse, reimbrems, tannclutch, trommelhode, ramme og så videre. På grunn av dens tilpasning til ventilblokken, forenklet ikke bare utformingen av det hydrauliske systemet men og forbedret driftsikkerheten. Vinsjserien kan ha en CT-funksjon hvis den er utstyrt med en konstantspenningsventil, og serien har også høy oppstartseffektivitet og arbeidseffektivitet. I tillegg, sammenlignet med tradisjonell fortøyning, er den totale overføringseffektiviteten til serien forbedret med 6~10 %, og energitapet er lavere på grunn av den lukkede planeten.
| Modell | IYJ34.54.5-100 / 50-500-24-C-PDX | IYJ56- -200-500- -38-C-PDLX | IYJ699-C | IYJ99-600-1000-50-C-PDLX | IYJ4611-750/150-240-54-C-PDLX | IYJK08-50-150-22-PDL |
| Vurdert arbeidstrekk 1. lag (KN) | 100/50 | 200 | 350/140 | 600 | 750/150 | 50 |
| Bremsestøttebelastning (KN) | - | 600 | 500 | 900 | 1250 | - |
| Hastighet 1. lag (m/min) | 15/30 | 15.6 | 6/12 | 5 | 20/5
| 20 |
| Trommelforskyvning (ml/r) | 10143.6/5119.2 | 40936 | 75600/37800 | 90744.43 | 103304.35/25826 | 6360.66 |
| Systemets nominelle trykk (MPa) | 25 | 16 | 26/10.5 | 22 | 31/26 | 15 |
| Diameter på tau (mm) | 24 | 38 | 38 | 50 | 54 | 22 |
| Antall taulag | 8 | 7 | 5 | 6 | 4 | 7 |
| Evne til trommel (m) | 490 | 500 | 500 | 1000 | 240 | 60 |
| Pumpestrøm (L/min) | 90(ηv=0,9) | 300(ηv=0,94) | 162(ηv=0,9) | 139(ηv=0,9) | 178(ηv=0,9) | 79(ηv=0,9) |
| Hydraulisk motortype | A6V107ED22FZ2-054 | INM5-1450D48011 | HLA4VSM2500Z-125 | INM7-3600024011 | A6VM160HD1D/63W0400VZB080 | GM3-1000-7D47 |
| Planetarisk girkassetype | IGT6DW3-B95-A6V107(I=94,8) | C56(I=28) | IGC330W3-B302-A4V250(I=302,4) | 6C3302-335-IW7(I=25,13) | C46611(I=645,65) | - |
Produkter levert av kjente bedrifter er dypt tillitsfulle av brukerne.
Års bransjeerfaring
Fabrikkområde
Dyktige medarbeidere
Avansert produksjonslinje
INI Hydraulic Co., Ltd. har spesialisert i design og produsering av hydrauliske vinger, hydrauliske motorer og planetær gearbokser i mer enn 20 år. Vi er en av de profesjonelle bygningsmaskinene i Asia. Det er vår måte å forbli levende på markedet på. Over 26 år har vi utviklet en stor rekke produktlinjer basert på vår egenutviklede teknologi. Et bredt spektrum av produkter, hvert korrelerende, inneholder hydrauliske og elektriske vinker, planetære gearbokser, svømmebåter, overføringskjører, hydrauliske motorer, pumper og hydrauliske systemer.
Påliteligheten til produktene våre har blitt bevist sterkt i forskjellige bruksområder, inkludert ikke begrensende industrimaskineri, anleggsmaskiner, skips- og dekksmaskineri, off-shore utstyr, gruvedrift og metallurgisk maskineri.
Dessuten har produktkvaliteten vår blitt godkjent av flere verdensomspennende anerkjente sertifikatorganer. Sertifiseringene som våre produkter har oppnådd inkluderer EC-Type Examination Certificate, BV MODE, DNV GL Certificate, EC Attestation of Conformity, Certificate of Type Approval for Marine Product og Lloyd's Register Quality Assurance. Så langt, foruten Kina, vårt hjemmemarked, har vi i stor grad eksportert produktene våre til USA, Tyskland, Nederland, Australia, Russland, Tyrkia, Singapore, Japan, Sør-Korea, Malaysia, Vietnam, India og Iran. Våre logistikk- og ettersalgstjenester dekker hele verden raskt og pålitelig for våre kunders dype interesser.
10 Nov,2025
03 Nov,2025
27 Oct,2025
20 Oct,2025
TOP