02 Feb,2026
Hvordan sammenligner industrielle hydrauliske motorer med pneumatiske motorer i ytelse?


Motorer med høyt trykk, høyhastighetsdrift og balanseventiler,
Den er designet for høybelastningsforhold
Det er den ideelle løsningen for en 6 til 50 tonns hydraulisk gravemaskin
Effektiv og kompakt design
Høytrykksteknologi øker effektiviteten til det hydrauliske systemet
To-trinns motor med integrert balanseventil og trykkavlastningsventil
Motoren integrerer funksjonen til hydraulisk bremsing
Hastigheten kan endres automatisk på forespørsel
Lav temperatur, høy effektivitet
Driftstemperaturområde: -20 ° C ~ 80 ° C
Kompakt design
Høytrykksmotorer med lavt slagvolum forlenger levetiden til viktige komponenter og forbedrer helheten
Holdbarhet av systemet
Helkobberforing for hydraulisk stempelrotasjon
Dobbelt distribusjonsbrett i metall (kobber/stål).
Rotasjonskombinasjonen med et spesielt fjærsystem øker levetiden til motoren
Det tredoble tetningssystemet for reduksjon: mekanisk labyrinttetning, V-type oljetetning, hovedoljetetning.
Hovedoljetetningen kan skiftes uten å demontere reduksjonsventilen
Lagrene til reduksjonen er uavhengige komponenter, enkle å installere og kan forhåndsinnstilles for negativ belastning
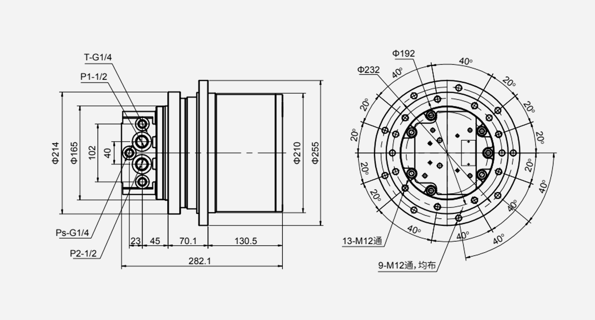
ITM01:
| Modal | (L/min) | (ML/r) | (Mpa) | (Mpa) | Girforhold | (N.m) | (r/min) | Rotasjon | (℃) | (mm2/s) |
| ITM01 | 20 | 6.31/12.56 | 25 | 2-7 | 36.96 | 1845 | 85,8/43 | toveis | -20- 80 | 16-25 |
| Modal | (L/min) | (ML/r) | (Mpa) | (Mpa) | Girforhold | (N.m) | (r/min) | Rotasjon | (℃) | (mm2/s) |
| ITM03 | 40 | 18/12 | 21 | 2-7 | 45.2 | 2719 | 55/37 | toveis | -20- 80 | 16-25 |
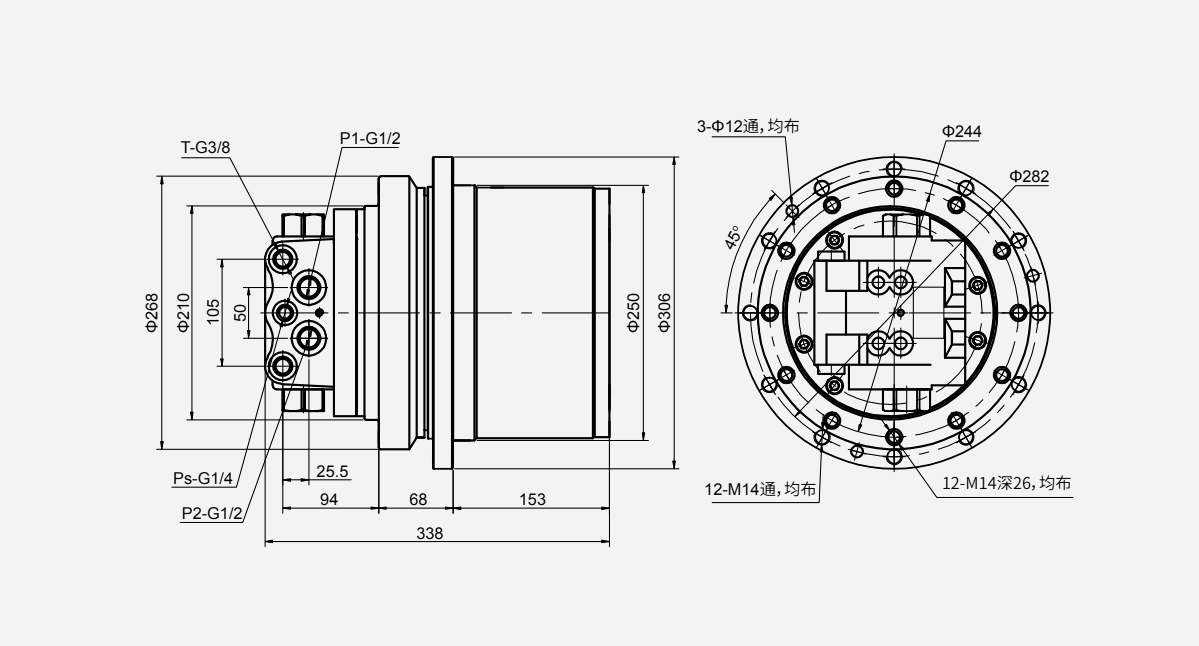
ITM04:
| Modal | (L/min) | (ML/r) Motor | (Mpa) | (Mpa) | Girforhold | (N.m) | (r/min) | Rotasjon | (℃) olje | (mm2/s) |
| ITM04 | 40 | 14.3/23.6 | 21 | 2-7 | 52.7 | 4200 | 55/33 | toveis | -20- 80 | 16-25 |
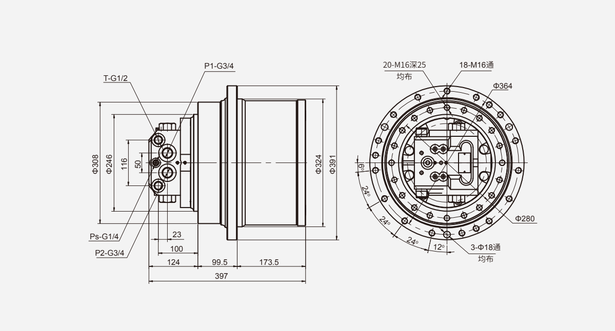
| Modal | (L/min) Inngangsstrøm | (ML/r) | (Mpa) | (Mpa) | Girforhold | (N.m) | (r/min) | Rotasjon | (℃) | (mm2/s) |
| ITM06 | 50 | 19/34 | 24.5 | 2-7 | 47.53 | 6300 | 55/30 | toveis | -20- 80 | 16-25 |
| Modal | (L/min) Inngangsstrøm | (ML/r) | (Mpa) Arbeidstrykk | (Mpa) | Girforhold | (N.m) | (r/min) | Rotasjon | (℃)olje | (mm2/s) |
| ITM07 | 50 | 22/44 | 27.5 | 2-7 | 53.706 | 10500 | 50/25 | toveis | -20- 80 | 16-25 |
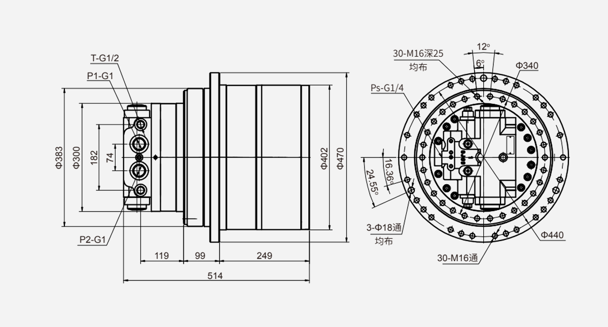
ITM09:
| Modal | (L/min) | (ML/r) | (Mpa) | (Mpa) | Girforhold | (N.m) | (r/min) | Rotasjon | (℃) | (mm2/s) |
| ITM09 | 80 | 34/53 | 30 | 2-7 | 53.7 | 11500 | 51/33 | toveis | -20- 80 | 16-25 |
| Modal | (L/min) | (ML/r) | (Mpa) | (Mpa) | Girforhold | (N.m) | (r/min) | Rotasjon | (℃) | (mm2/s) |
| ITM10 | 80 | 38/65 | 25 | 2-7 | 53.7 | 13000 | 51/33 | toveis | -20- 80 | 16-25 |
| Modal | (L/min) | (ML/r) | (Mpa) | (Mpa) | Girforhold | (N.m) | (r/min) | Rotasjon | (℃) | (mm2/s) |
| ITM18 | 130 | 43/67 | 30 | 2-7 | 53 | 16900 | 57/37 | toveis | -20- 80 | 16-25 |
| Modal | (L/min) | (ML/r) | (Mpa) | (Mpa) | Girforhold | (N.m) | (r/min) | Rotasjon | (℃) | (mm2/s) | Anvendelig modeller |
| ITM22 | 130 | 48/81 | 34.3 | 2-7 | 53.7 | 23700 | 50/30 | toveis | -20- 80 | 16-25 | 13-17 |
| Modal | (L/min) | (ML/r) | (Mpa) | (Mpa) | Girforhold | (N.m) | (r/min) Teoretisk | Rotasjon | (℃) | (mm2/s) |
| ITM40 | 230 | 99/147 | 34.3 | 2-7 | 50.5 | 40546 | 50/32 | toveis | -20- 80 | 16-25 |
| Modal | (L/min) | (ML/r) | (Mpa) | (Mpa) | Girforhold | (N.m) | (r/min) | Rotasjon | (℃) | (mm2/s) |
| ITM60 | 330 | 195/120 | 34.3 | 2-7 | 63.84 | 67000 | 40/26 | toveis | -20- 80 | 16-25 |
Produkter levert av kjente bedrifter er dypt tillitsfulle av brukerne.
Års bransjeerfaring
Fabrikkområde
Dyktige medarbeidere
Avansert produksjonslinje
INI Hydraulic Co., Ltd. har spesialisert i design og produsering av hydrauliske vinger, hydrauliske motorer og planetær gearbokser i mer enn 20 år. Vi er en av de profesjonelle bygningsmaskinene i Asia. Det er vår måte å forbli levende på markedet på. Over 26 år har vi utviklet en stor rekke produktlinjer basert på vår egenutviklede teknologi. Et bredt spektrum av produkter, hvert korrelerende, inneholder hydrauliske og elektriske vinker, planetære gearbokser, svømmebåter, overføringskjører, hydrauliske motorer, pumper og hydrauliske systemer.
Påliteligheten til produktene våre har blitt bevist sterkt i forskjellige bruksområder, inkludert ikke begrensende industrimaskineri, anleggsmaskiner, skips- og dekksmaskineri, off-shore utstyr, gruvedrift og metallurgisk maskineri.
Dessuten har produktkvaliteten vår blitt godkjent av flere verdensomspennende anerkjente sertifikatorganer. Sertifiseringene som våre produkter har oppnådd inkluderer EC-Type Examination Certificate, BV MODE, DNV GL Certificate, EC Attestation of Conformity, Certificate of Type Approval for Marine Product og Lloyd's Register Quality Assurance. Så langt, foruten Kina, vårt hjemmemarked, har vi i stor grad eksportert produktene våre til USA, Tyskland, Nederland, Australia, Russland, Tyrkia, Singapore, Japan, Sør-Korea, Malaysia, Vietnam, India og Iran. Våre logistikk- og ettersalgstjenester dekker hele verden raskt og pålitelig for våre kunders dype interesser.
02 Feb,2026
26 Jan,2026
19 Jan,2026
12 Jan,2026
TOP